The series resonant withstand voltage test device is usually accompanied by an inverter, and this combination is called the series resonant withstand voltage test device inverter. Below is an introduction to the basic principle of the series resonant withstand voltage test device inverter:

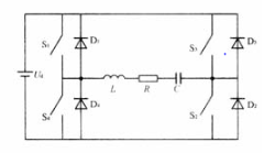
Inverter structure of series resonant withstand voltage test device
From the figure, we can see some basic principles of the series resonant withstand voltage test device inverter. Firstly, it includes a DC voltage source, an inverter bridge consisting of switches S1 to S4, and a series resonant withstand voltage test device load consisting of R, L, and C; Among them, switches S1 to S4 can be selected from IGBT, SIT, MOSFET, SITH, and other power semiconductor devices with self turn off function, and the inverter is a single-phase full bridge circuit; The control method is that the driving signals of the two switching devices on the same bridge arm are complementary, and the two diagonally opposite switches are simultaneously turned on and off.
The inverter of the series resonant withstand voltage test device is easy to start. Suitable for occasions where work is frequently initiated.
When the distance between the induction heating coil of the series resonant withstand voltage test device inverter and the inverter power supply (including energy storage capacitors) is small, the impact on the output power is small. If coaxial cables are used or return lines are placed as close as possible (better twisted together), there is almost no impact.
The voltage on the induction coil of the inverter and the voltage on the resonant capacitor of the series resonant withstand voltage test device are both Q times the output voltage of the inverter. And the current flowing through the induction coil is equal to the output current of the inverter.
The series resonant withstand voltage test device inverter is widely used in smelting, insulation one to two furnaces, and high-Q high-frequency induction heating applications, ranging from several kilowatts to several kilowatts.











