
The resonance phenomenon of voltage and current in electrical engineering is well known. In a series circuit with inductance and capacitance, series resonance and electrical parallel resonance occur in parallel at certain resonant frequencies. In a series circuit, this phenomenon corresponds to the condition that the inductance and capacitance resistance are equal. The circuit becomes purely active.
As the frequency increases, the inductance and resistance increase, while the capacitance and resistance decrease. At the resonant frequency, their values are equal and cancel each other out, and enter the variable frequency series resonant mode. A similar phenomenon occurs when the current in the power cord changes. Under certain loads (currents), series resonance modes may occur on them. This situation occurs when the capacitive power generated is equal to the inductive power consumed. The power corresponding to this condition is called 'natural'.
Calculations show that at the resonant frequency, the capacitive and inductive power in the series circuit are equal.
The physical phenomenon of series resonance in a series circuit with inductance and capacitance has the same explanation - that is, the power of the inductance and the power of the capacitance are equal.
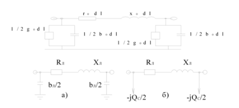
Various equivalent circuit schemes were used. The textbook provides the following alternative solutions. Cable lines Un<10 kV are only represented by active resistors, overhead lines Un<35 kV are represented by active and inductive resistors, and overhead lines 110-330 kV are represented by active and inductive resistors and capacitive conductivity or instead of capacitive conductivity, but consider the reactive power generated by the line capacity. In these equivalent circuits, it is assumed that reactive conductivity or reactive power is concentrated and applied at the starting and ending points of the line.
For Un 330 kV ultra-high voltage lines with a length greater than 300-400 km, it is recommended to consider a uniform distribution of resistance and conductivity along the line to draw an equivalent circuit.

The results obtained from calculations based on the equivalent circuit of the power line are significantly different from the data obtained from calculations based on the equivalent circuit. The reason is that in AC transmission, the lateral active and capacitive conductivity are very negligible, with almost no phase shift or attenuation.
We suggest plotting the line capacity as a series component to create an equivalent circuit for the power line. The reason for doing so is the physical principle of line resonance process, namely series resonance. The resonant torque corresponds to the mode where the line is equal to the natural load (S=S NAT), where the power of the capacitor and inductor is equal.
As you know, according to the laws of electrical engineering, this situation occurs in sequential circuits.

When considering reactive power balance, it does not matter how to turn on the reactive power source (capacitor or other compensation device): parallel or serial. The line that generates reactive power can be represented as a series connection of capacitive and inductive power sources. The total reactance is given in the equivalent circuit.
As we have considered above, the production line greatly changes its performance according to different loads. When P<P NAT, there is capacitive power in the line, and the capacitor corresponds to this power, which can be replaced by a circuit.
When S=S NAT, the equivalent circuit will consist only of active resistors.
At the load S>S NAT, the dominant inductance in the line corresponds to inductance Chl, and the equivalent circuit is shown in the figure.

In summary, we can say the following: the balance of reactive power on high-voltage lines is highly dependent on the load. At low transmission power, the dominant power on the line is capacitive reactive power, which is zero at natural power, while at high power, inductive reactive power dominates. The equivalent circuit of the line should be different.
The equivalent circuit used in the ultra-high voltage line does not match the actual process in the line. Suggest using a series resistor instead of a circuit. The correctness of this suggestion is confirmed by the presence of positions in series resonance.











